文章
  • 文章
搜索
简体中文

    产品中心 / Product center

    首页 >> 产品中心 >>激光管与激光光纤模块 >>蝶形光纤激光器 >> 400mW 蝴蝶封装FP 976nm尾纤泵浦激光器
    详细说明

    400mW 蝴蝶封装FP 976nm尾纤泵浦激光器

    • 商品说明
    • 商品参数

    400mW 蝴蝶封装FP 976nm尾纤泵浦激光器
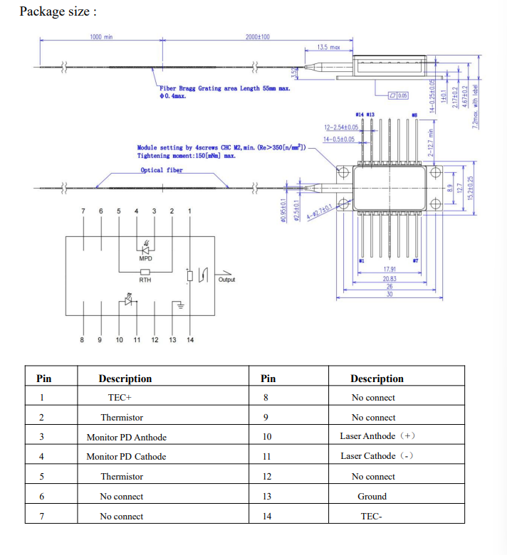
      XL-FP976-05-14-PM-400是一款采用14针蝶形封装的975 nm量子阱激光器芯片。紧凑的设计包括一个集成的热电冷却器、一个监测光电二极管和一个波长稳定光纤布拉格光栅(FBG),这确保了在温度和电流变化时输出波长的漂移很小。激光器耦合到单模光纤尾纤中,尾纤具有Ø1.5 mm PTFE松套管和FC/APC连接器。可替代PL980P330J

    5719c1f4-3bb6-4709-ad45-e61b3eef96a2.png

    8512bf51-cf27-4fd2-a60c-e26132db40c7.png

    e94c6e5b-bb1e-43fa-a78a-1053c91d4f22.png

    客服中心
    联系方式
    13049353778
    13692296850
    18598066786
    13131220086
    - 石经理
    石经理
    技术支持: 广州加减法信息技术有限公司 | 管理登录
    ×
    seo seo